
惠州市攸州建筑工程有限公司
咨询热线:13250628094
电 话:0752-2586559
邮编:516000
邮 箱:yzjz169@163.com (有效)
总部地址:广东惠州惠城区江北云山西路2号凯宾斯基国际综合楼C座1106
万科住宅建筑---攸州板业项目
在新技术研发与应用方面始终走在行业的最前列,建筑工业化是目前的风口浪尖,攸州板业在这方面的研发也已经超过十几个年头,积累了丰富的技术储备与经验,今天就给大家分享《预制内墙板工艺工法》
一、预制内墙板的优势与问题:
1. 攸州预制板的优势:
提高质量:免抹灰,消灭空鼓裂缝,取消湿作业
提高效率:减少抹灰工序,易实现穿插作业
减少人工:砌体30~40平米/人天,预制墙板70平米/人天
取消湿作业,提高文明施工;人工减少、易管理,可提高管理效率,降低管理成本
要求精细化管理,计划性要求高,可提高工程管理水平
2. 预制内墙板存在的主要问题:
* 设计(配板、设备)深度不够
* 设备未能预先埋入,在墙上开槽
* 未能预先配板,现场随意裁板
* 工序间歇不够
3. 预制内墙板易出现裂缝位置:
* 门头板
* 预制墙板与主体结构相接处
* 预制墙板相接处(阴阳角)
二、攸州预制内墙板质量控制要点
1. 攸州预制内墙板设计前置策略:
攸州通过配板(排版)设计,指导墙板生产、预埋和安装,实现了减少构板、高效、精准的目的。
* 根据土建、设备及精装修施工图纸进行深化设计,绘制排板图;
* 确定主体结构施工时应该增打的混凝土,如门边、门头板等;
* 合理确定补板位置;(一般主在与主体结构相接处)
* 确定电气专业预埋预留位置、标明尺寸,板上墙之前预留预埋;
* 排板图应在主体结构出±0之前完成,并经设计、施工单位、生产厂家、监理、项目部确认;
* 配板(排版)图应包括平面布置图及立面图。图中标明墙板编号、类别、规格尺寸;门窗洞口位置和;预埋管线、插座及开关底盒的位置和尺寸;预埋件的位置、数量、规格种类等。
2. 攸州预制内墙板设计流程示意图:
3. 攸州预制内墙板安装工艺流程及工序间歇:
4. 攸州预制内墙板材料进场前验收:
* 墙板质量检查:
1、厂家应提供预制内墙板的质量检验报告及合格证;
2、外观检查有生产日期;
3、板上标有生产日期;
自然养护:完成养护28天后才可出厂;
蒸气养护:完成蒸养回复常温才可出厂
重要辅材质量检验:
1、粘结剂与嵌缝剂,厂家提供具备质检报告与合格证的粘结材料;
2、嵌缝带,耐碱玻纤风格布,厂家提供质检报告与合格证;
3、U型或L型卡,厚度不小于2mm,且热浸镀锌处理(镀锌厚度不小于35mm)
5. 预制内墙板安装前的准备:
* 测量主体结构误差,清理、修补主体结构
* 根据配板(排板)图放线、确定墙板位置
* 清理墙板,涂刷界面剂,封堵墙板端孔;
6. 预制内墙板安装方法:
墙板安装工艺流程(下楔法)
--安装:基层及墙板侧边涂抹粘结剂、墙板顶部满涂粘结剂并成倒“V"字型,将墙板对准定位线后立板,安装时注意保证墙板的榫头与榫槽相互连接,墙板上部及接缝处粘结剂挤出;
--调校:墙板就位后,使用2m靠尺和撬棍调校墙面的垂直度及平整度
--固定:下部用木楔备紧,再次检查墙板垂直度及平整度且合格后,用射钉在墙板上部与染(板)下部安装的”L“型或”U“型钢卡件,使墙板上部与结构主体连接牢靠。并交并将挤出板缝(上部和侧部)的粘结剂及时压进板缝内;
--塞缝:在墙板安装完毕后24小时之内,用1:2干硬性水泥砂浆或细石混凝土填实底口,7天手撤出木楔,并灌实孔洞;
--板缝处理:墙板安装完成两周后,方可在墙板接缝处粘贴嵌缝带;移交精装修前必须检查板缝的质量,如有裂缝,应进行修补。修补完毕后方可移交下道工序。
7. 预制内墙板安装控制要点:
* 第一块墙板必须调校、固定完成后方可安装下一块墙板;
* 墙板顶及侧边粘结剂饱满、连续,填缝密实。
* 墙板垂直、平整,误差在免抹灰要求范围之内;
* 墙板底部的干硬性砂浆或细石混凝土塞缝密实;
* 嵌缝带粘结平整;
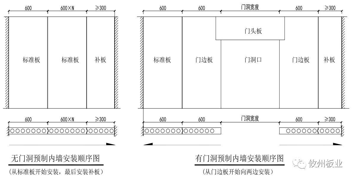
8. 预制内墙板安装顺序:
9. 预制内墙门头板安装要点:
* 门头板应吊模与主体结构一起现浇
* 门头板不能与主体结构一起现浇时应在工厂内定制生产
--墙板(门边板)安装完成7天后方可安装门头板
--门头板上下各配Φ12通长钢筋一根
门头板安装顺序:
门头板安装采用上楔法。
* 门边板(门头板下部)粘结剂坐浆饱满、连续;
* 将门头板放置在门边板上;
* 调整门头板垂直、平整,误差在免抹灰要求范围之内;
* 在门头板上部轻轻打入木楔
* 门头板上部用干硬性砂浆或细石混凝土塞缝密实;
* 取掉木楔并塞实孔洞;
* 嵌缝带粘结平整;
内墙门边板安装
* 宽度小于200mm的门边板应与主体结构一起现浇
* 门边板必须顶天立地
* 门边板应为整板
* 门边板承受门头板的位置应无孔洞或填塞孔洞
* 墙板安装时应从门边板开始
10. 板与主体结构相接处质量要点:
墙板与结构相接处应用补办调节
10. 补板质量要点:
补板:
补板的作用不仅是调节预制墙板,另一个重要作用就是调节预制墙板与主体结构之前的误差。
补板应放置在预制墙板与主体结构相接处。
* 测量主体结构误差;
* 根据主体结构误差裁截补板,补板可以大小头,关键要保证接缝不能过大,且要上下一致;
* 补板与预制墙板之间的板缝要垂直,但与主体结构之间的缝隙不一定垂直。
11. 阴阳角质量要点:
阴阳角属裂缝高发处,采用异形板是解决裂缝最有效的措施。、
说明:
1. “L型”"T型”等异形转角板宜采用立模或平模浇筑成型;
2. “L型”“T型”等异形转角板突起一侧墙面宽度应≥100mm;
3. 转角板应根据使用部位决定是否预留孔芯注意:“L型”“T型”“十字型" “八字型”等复杂、应力集中的连接应采用定制异形板,以降低开裂风险;墙板安装应先从异形节点开始。
12. 线盒、管线预埋质量要点:
* 严禁墙板安装后开槽敷设线管、开关、插座;
* 线管、开关及插座等应在厂内暗埋,补强;如不能在厂内预埋、安装,则必须在墙板安装(上墙)
前在工地预埋、安装;
* 线管暗埋应避免骑板缝;
* 插座切割洞口应居中布置且宽度不得大于板宽的1/2;
* 应尽量避免在墙体两侧同一部位开槽、开洞,应错开≥150mm;
* 开槽开洞应分层封堵。
13. 配电箱预埋质量要点:
1. 为配电箱应制作异形板,并预埋在异形板内;
2. 严禁墙板安装后开槽埋设配电箱;
3. 配电箱应在厂内预埋,补强;如不能在厂内预埋、安装,则必须在墙板安装(上墙)前在工地预埋、安装
14. 精装修前检查修补要点:
1. 全面检查、修补(缝)后方可进入精装修;
2. 检查所有板缝;
3. 检查门头板、门边板;
4. 检查预制墙板与主体结构相接处;
5. 检查阴阳角;
6. 检查设备预埋处;
预制内墙板推进中应注意的主要事项
1. 设计前置,合理配板,杜绝变更;
2. 保证工序间歇,杜绝抢工;
3. 门头板、门边板是裂缝高发处、应谨慎对待;
4. 预制墙板与主体结构相接处用补板调节;
5. 阴阳角要用异形板;
6. 设备预埋在预制板上墙前进行,杜绝在墙上开槽
7. 精装修开始前全面检查、修补;
攸州板业是目前国内专注于绿色环保建材的龙头企业之一。 公司专业从事新型隔墙板、轻质隔墙板、轻质条板、防火防水隔墙板、实心隔墙板、复合条板等产品研发、设计、生产、销售、安装工程。 您有任何关于建筑工程墙体板材、施工用料方面的问题,可以随时咨询我们的在线客服或致电:13250628094,将随时为您解答。